Toggle navigation
首页
精品软件
学习资料库
柒号仓库
陆号仓库
伍号仓库
肆号仓库
叁号仓库
贰号仓库
壹号仓库
会员
中心
登录
注册
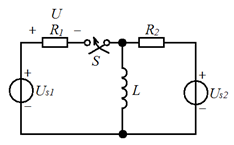
图6所示电路已经处于稳态,已知:
,
时刻闭合开关S,求
时的
。
图6第五题题图
答案:
内容已经隐藏,点击付费后查看
请联系我
商务合作、广告投放、题目勘误、侵权投诉
QQ
微信
专科
已知
已经
开关
所示
时刻
电路
闭合
推荐内容
有资料显示:乡镇企业的投资失败率迅猛增长致使乡镇企业亏损增加。在1996年和1997年,乡镇企业增加值增长速度已经从42%下降到21%和18%;1997年亏损面已经达到15%,比1996年上升了7个百分点,亏损额达到600亿元,比1996年增加33%,关停企业6.5万家;1998年1~2月份,乡镇企业实现增加值2439亿元,比1997年同期回落5个百分点;实出口商品交货值572亿元,比1997年同期回落8个百分点。根据相关知识分析,为什么在上个世纪乡镇企业会遭遇如此高的投资失败率?根据边际效用递减规律论述
设有J1,J2,J3,J4和J5等五种零件在二台设备上加工,其工艺顺序均相同,加工时间如下表所示,试求此作业排序问题,并用横道图表示,求出总加工时间。
已知某工程项目的计划资料如下表所示,求1)绘制该工程项目的网络图;2)计算各事项的时间参数;3)找出关键线路并求总工期。
通过全体人民的不断努力,在( )等方面取得了显著成效,现代化建设已经站在一个新的起点上。①综合实力跨越式崛起 ② 民生福祉不断增进 ③建成了世界上规模最大的社会保障体系
评论列表
共有
0
条评论
暂无评论
发表评论
取消回复
登录
注册新账号
立即
投稿
发表
评论
返回
顶部
发表评论 取消回复