Toggle navigation
首页
精品软件
学习资料库
柒号仓库
陆号仓库
伍号仓库
肆号仓库
叁号仓库
贰号仓库
壹号仓库
会员
中心
登录
注册
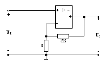
图所示电路转移电压比UO/UI应为( )
A、-1
B、1
C、2
D、3
答案:
内容已经隐藏,点击付费后查看
请联系我
商务合作、广告投放、题目勘误、侵权投诉
QQ
微信
专科
电压比
电气
电路
电路
转移
推荐内容
习近平总书记在 2021年底召开的中央农村工作会议上强调,脱贫攻坚取得胜利后,要全面推进乡村振兴,这是“三农”工作重心的历史性转移。( )
坚持实事求是的思想路线,在中国革命、建设和改革问题上,最根本的就是要坚持把马克思主义同我国实际结合起来,坚定不移地走自己的路。走自己的路的理论和实践依据是( )。
通过该示范区的变化,指出建设我国社会主义新农村的主要途径。
阐述50年代我国选择社会主义道路的必然性及历史意义,兼评“补资本主义课”的观点。
评论列表
共有
0
条评论
暂无评论
发表评论
取消回复
登录
注册新账号
立即
投稿
发表
评论
返回
顶部
发表评论 取消回复