Toggle navigation
首页
精品软件
学习资料库
柒号仓库
陆号仓库
伍号仓库
肆号仓库
叁号仓库
贰号仓库
壹号仓库
会员
中心
登录
注册
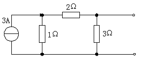
如图2-7所示二端网络的戴维南等效电路的两参数为( )
A、
B、
C、
D、5V 5V
答案:
内容已经隐藏,点击付费后查看
请联系我
商务合作、广告投放、题目勘误、侵权投诉
QQ
微信
专科
参数
所示
电气
电路
推荐内容
设有J1,J2,J3,J4和J5等五种零件在二台设备上加工,其工艺顺序均相同,加工时间如下表所示,试求此作业排序问题,并用横道图表示,求出总加工时间。
已知某工程项目的计划资料如下表所示,求1)绘制该工程项目的网络图;2)计算各事项的时间参数;3)找出关键线路并求总工期。
已知某工程项目的计划资料如下表所示,求(1)画出该工程项目的网络图;(2)计算各事项的时间参数;(3)找出关键线路并求总工期。
我国各民主党派在社会主义建设中如何发挥参政议政的作用?
评论列表
共有
0
条评论
暂无评论
发表评论
取消回复
登录
注册新账号
立即
投稿
发表
评论
返回
顶部
发表评论 取消回复