Toggle navigation
首页
精品软件
学习资料库
柒号仓库
陆号仓库
伍号仓库
肆号仓库
叁号仓库
贰号仓库
壹号仓库
会员
中心
登录
注册
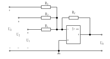
图为理想运放电路,求输出电压UO和输入电压U1、U2和U3的关系。
答案:
内容已经隐藏,点击付费后查看
请联系我
商务合作、广告投放、题目勘误、侵权投诉
QQ
微信
专科
关系
电气
电路
推荐内容
评论列表
共有
0
条评论
暂无评论
发表评论
取消回复
登录
注册新账号
立即
投稿
发表
评论
返回
顶部
发表评论 取消回复