Toggle navigation
首页
精品软件
学习资料库
柒号仓库
陆号仓库
伍号仓库
肆号仓库
叁号仓库
贰号仓库
壹号仓库
会员
中心
登录
注册
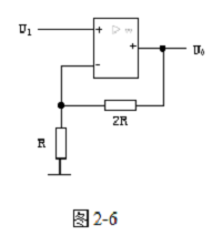
如图2-6所示电路的转移电压比
应为 。
A、-1
B、1
C、2
D、3
答案:
内容已经隐藏,点击付费后查看
请联系我
商务合作、广告投放、题目勘误、侵权投诉
QQ
微信
专科
所示
电压比
电气
电路
电路
转移
推荐内容
设有J1,J2,J3,J4和J5等五种零件在二台设备上加工,其工艺顺序均相同,加工时间如下表所示,试求此作业排序问题,并用横道图表示,求出总加工时间。
已知某工程项目的计划资料如下表所示,求1)绘制该工程项目的网络图;2)计算各事项的时间参数;3)找出关键线路并求总工期。
习近平总书记在 2021年底召开的中央农村工作会议上强调,脱贫攻坚取得胜利后,要全面推进乡村振兴,这是“三农”工作重心的历史性转移。( )
坚持实事求是的思想路线,在中国革命、建设和改革问题上,最根本的就是要坚持把马克思主义同我国实际结合起来,坚定不移地走自己的路。走自己的路的理论和实践依据是( )。
评论列表
共有
0
条评论
暂无评论
发表评论
取消回复
登录
注册新账号
立即
投稿
发表
评论
返回
顶部
发表评论 取消回复