Toggle navigation
首页
精品软件
学习资料库
柒号仓库
陆号仓库
伍号仓库
肆号仓库
叁号仓库
贰号仓库
壹号仓库
会员
中心
登录
注册
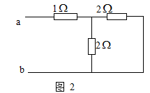
电路如图2所示,则该电路的输入阻抗为 。
A、1Ω
B、2Ω
C、3Ω
D、4Ω
答案:
内容已经隐藏,点击付费后查看
请联系我
商务合作、广告投放、题目勘误、侵权投诉
QQ
微信
专科
所示
电路
电路
推荐内容
设有J1,J2,J3,J4和J5等五种零件在二台设备上加工,其工艺顺序均相同,加工时间如下表所示,试求此作业排序问题,并用横道图表示,求出总加工时间。
已知某工程项目的计划资料如下表所示,求1)绘制该工程项目的网络图;2)计算各事项的时间参数;3)找出关键线路并求总工期。
我国各民主党派在社会主义建设中如何发挥参政议政的作用?
有一足够长的平行金属导轨,电阻不计,导轨光滑,间距1m,导轨沿与水平方向成θ=300角倾斜放置,在底部连接有一个阻值的电阻.现将一根长l=1m,质量m=0.2kg,电阻不计的金属棒自轨道顶部自由滑下,经一段距离s后进入一垂直轨道平面的匀强磁场中,如图10所示.磁场上部有边界,下部无边界,磁感强度B=1T.金属棒进入磁场后又运动了s&\#39;=10m后开始匀速直线运动,在做匀速直线运动之前这段时间内,电阻R上产生了Q=9.1J的热量,求: (1)金属棒匀速直线运动时的速度大小; (2)磁场的上
评论列表
共有
0
条评论
暂无评论
发表评论
取消回复
登录
注册新账号
立即
投稿
发表
评论
返回
顶部
发表评论 取消回复