Toggle navigation
首页
精品软件
学习资料库
柒号仓库
陆号仓库
伍号仓库
肆号仓库
叁号仓库
贰号仓库
壹号仓库
会员
中心
登录
注册
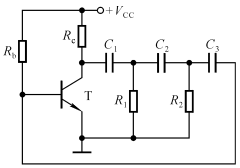
试用相位平衡条件判断下图(a)、(b)所示各电路是否可能产生正弦波振荡,简述理由。
(a) (b)
答案:
内容已经隐藏,点击付费后查看
请联系我
商务合作、广告投放、题目勘误、侵权投诉
QQ
微信
下图
专科
产生
可能
振荡
理由
电气
简述
试用
推荐内容
测试用PDF10.pdf
测试用PDF11.pdf
测试用PDF9.pdf
测试用PDF13.pdf
评论列表
共有
0
条评论
暂无评论
发表评论
取消回复
登录
注册新账号
立即
投稿
发表
评论
返回
顶部
发表评论 取消回复